Каталог
- Автомобильные товары
- Газосварка
- Гидравлика
- Запчасти для инструмента
- Инструменты
- Климат и Вентиляция
- Крепеж
- Материалы
- Оборудование
- Оборудование для работ на высоте
- Пневматика, Гидравлика
- Промышленная химия
- Распродажа
- Расходные материалы и оснастка
- Сантехника
- Скобяные изделия
- Такелаж
- Товары для дома, сада, отдыха
- Электротовары
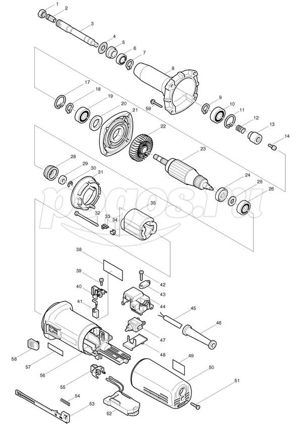
Makita GD0800C
Уважаемые клиенты! Вы можете воспользоваться ссылкой для поиска запчастей из нашего каталога или же воспользоваться поиском запчастей по названию модели инструмента.
Если какая-либо деталь отсутствует в списке Вы можете уточнить наличие запчасти по телефону +7 (391) 2 77 77 77 либо через форму обратной связи.
Показать ещё
Скрыть